产品展示PRODUCT LIST
联系我们contact us
- 济宁卓力机械刮板机分公司
- 手机:13280082001
- 联系人:曹经理
- 电话:0537-2558089
- 邮箱:269628658@qq.com
- 地址:济宁市国家高新技术产业园区
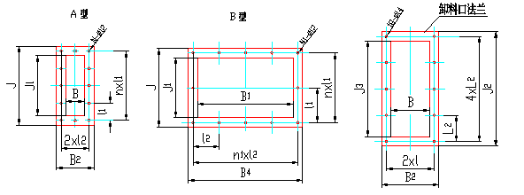
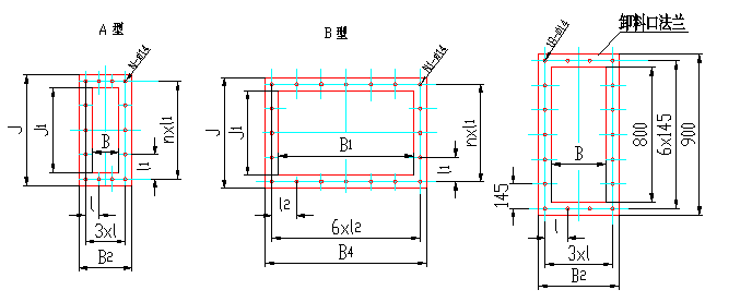
MS埋bv伟德官网中文官网外形尺寸图
来源:本站 发布时间:2016-07-18 访问量:1644
MS埋bv伟德官网中文官网外形尺寸图
MS16--MS25型埋bv伟德官网中文官网外形尺寸



MS32-- MS40型埋bv伟德官网中文官网外形尺寸





打印页面
关闭窗口